24小时电话

020-28185170

联系我们

广州龙康机电设备有限公司
全国免费服务热线: 4008-780-280
公司总机: 020-28185170
联系电话: 186-8848-1068
邮箱联系: admin@longk.com
工厂地址:广州市花都区炭步镇黄村工业园

更多联系方式

消防水箱有效容积探讨

      摘要:消防水箱按其功能可分为3大类:高位水箱、减压水箱和转输水箱。根据消防水箱的功能探讨其有效容积的计算,并就《消防给水及消火栓系统技术规范》(GB 50974-2014)的相关规定进行讨论。

0前言

消防水箱有效容积的确定是消防给水系统设计的重要内容,一直都是给排水同行关注的热点话题之一,《消防给水及消火栓系统技术规范》(GB 50974-2014,以下简称“水消规”)于2014101日实施,对消防水箱有效容积做出了一些新的规定。本文结合工程设计经验,对消防水箱有效容积的确定进行讨论。

1现行规范对消防水箱有效容积的规定

关于消防水箱的有效容积,现行规范有如下规定:

《建筑设计防火规范》(GB 50016-2006,以下简称“建规”)第8.4.4条第2款:消防水箱应储存10 min的消防用水量。当室内消防用水量小于等于25 L/s,经计算消防水箱所需消防储水量大于12 m3时,仍可采用12 m3;当室内消防用水量大于25 L/s,经计算消防水箱所需消防储水量大于18 m3时,仍可采用18 m3

《高层民用建筑设计防火规范》(GB 50045-952005年版,以下简称“高规”)第7.4.7.1条:高位消防水箱的消防储水量,一类公共建筑不应小于18 m3;二类公共建筑和一类居住建筑不应小于12 m3;二类居住建筑不应小于6.00 m3

7.4.7.3条:并联给水方式的分区消防水箱容量应与高位消防水箱相同。

“水消规”第5.2.1条:临时高压消防给水系统的高位消防水箱的有效容积应满足初期火灾消防用水量的要求,并应符合下列规定:

1.一类高层公共建筑,不应小于36 m3,但当建筑高度大于100m时,不应小于50 m3,当建筑高度大于150 m时,不应小于100 m3

2.多层公共建筑、二类高层公共建筑和一类高层住宅,不应小于18 m3,当一类高层住宅建筑高度超过100 m时,不应小于36 m3

3.二类高层住宅,不应小于12 m3

4.建筑高度大于21 m的多层住宅,不应小于6 m3

5.工业建筑室内消防给水设计流量当小于或等于25L/s时,不应小于12 m3,大于25 L/s时,不应小于18 m3

6.总建筑面积大于10000 且小于30000的商店建筑,不应小于36m3,总建筑面积大于30000的商店,不应小于50 m3,当与本条第1款规定不一致时应取其较大值。

6.2.3条第1款:当采用消防水泵转输水箱串联时,转输水箱的有效储水容积不应小于60 m3,转输水箱可作为高位消防水箱。

6.2.5条第3款:减压水箱的有效容积不应小于18 m3,且宜分为两格。

2消防水箱的分类及功能

消防水箱按其功能可分为3大类:高位水箱、减压水箱和转输水箱。其功能阐述如下。

2.1高位水箱

高位水箱是指设置位置高于其所服务水灭火设施的水箱,是临时高压消防给水系统消防水池消防水泵以外的另一个不满足一起火灾灭火用水量的重要水源,其目的是增加消防供水的可靠性。

在多层建筑中,其功能是储存初期火灾10 min的消防水量;在高层建筑中,其功能是:①系统中不设稳压设备时,储存消防主泵启动供水前的消防水量;②系统中设稳压设备时,储存稳压设备运行所需的水量及消防主泵启动供水前的消防水量,同时在消防主泵失灵时,以重力流方式供给消防用水。

2.2减压水箱

减压水箱是指设置在超高层建筑消防主配水系统中,通过水流释放而减压,并以重力流供水的水箱。其功能是降低消防管网某点处的静水压力以满足系统的压力分区要求,并同时保证水箱前后的流量不变,其作用与减压阀相类似。

2.3转输水箱

转输水箱是指当消防供水系统竖向超过一定高度而不能一次提升到顶时,在设备层(或避难层)设置的水箱。其功能是既作为下一级水泵出水管的接纳水池,又作为上一级水泵的吸水池。

3消防水箱有效容积的探讨

3.1高位水箱

多层建筑中,高位水箱的作用是提供初期火灾抑制所需水量,消防队到达后,由消防队进行扑救。“建规”第8.4.4条第2款规定,消防水箱应储存10 min消防水量。此规定的初衷是保证消防队到达火灾现场前的消防水量。

3.1.1多层建筑高位水箱的有效容积

多层建筑高位水箱的作用是提供初期火灾抑制所需水量,高位水箱应储存10 min消防水量。一般情况下,初期火灾取用的水枪为2支,每支水枪流量5 L/s,总流量10 L/s10 min消防水量6 m3。开启的喷头数为24只,喷头流量系数K=80115,在最低工作压力下10 min自动喷水灭火系统用水量见表1。

多层建筑中火灾危险性较大的仓库,《自动喷水灭火系统设计规范》(GB 50084-20012005年版,以下简称“喷规”)对其所用喷头流量系数的规定值一般均大于其他建筑,仓库等建筑的高位水箱,其有效容积应按实际选用的喷头K值单独计算。

多层建筑高位水箱的有效容积,按2支水枪和4只喷头10 min消防水量计算。当室内仅设有消火栓水灭火系统时,不应小于6m3;当室内设有消火栓和自动喷水灭火系统时,不应小于12 m3

3.1.2高层建筑高位水箱的有效容积

高层建筑立足于自救,高位水箱的功能是:①系统中不设稳压设备时,储存消防主泵启动供水前的消防水量,对初期火灾进行抑制及扑救;②系统中设稳压设备时,储存消防主泵启动供水前的消防水量和稳压设备运行所需的水量,同时在消防主泵失灵时,可以重力流方式供给消防用水。

按高位水箱最低有效水位是否满足灭火设施最不利点处的静水压力要求,可分为不设置稳压设备和设置稳压设备2种情况。

3.1.2.1不设置稳压设备的高位水箱

当高位水箱设置的高度可满足灭火设施最不利点处的静水压力要求时,不需设置稳压设备。在无任何外动力作用下即可对管网进行重力流供水。一旦出现火情,在主泵启动供水前,高位水箱可提供一定时间内的消防水量用于初期火灾的抑制及扑救。在消防主泵断电失灵的情况下,高位水箱是不需加压就可直接用于灭火的重要消防水源,以最小的成本得到最大的消防安全效益。

“水消规”第11.0.3条:消防水泵应确保从接到启泵信号到水泵正常运转的自动启动时间不应大于2 min。第11.0.12条:……机械应急启动时,应确保消防水泵在报警后5.0 min内正常工作。根据该两条规定,接到火警信号后,消防主泵允许的最长启动时间应不大于5 min。因此,高位水箱有效容积计算,理论上按5 min即可满足规范要求,但高层建筑的火灾危险性不比多层建筑低、而扑救难度比多层建筑更大,且在主泵启动前,高位水箱对初期火灾的抑制及扑救极其重要,关系到后续火情的发展,因此建议计算时间适当放大到10 min

高位水箱有效容积,按满足2支水枪和4只喷头在最低工作压力下10 min消防水量计算,不应小于12 m3

对于功能复杂的综合体高层建筑,建议高位水箱有效容积不小于20 min消防水量,且不小于24 m3

3.1.2.2设置稳压设备的高位水箱

当高位水箱设置的高度不能满足灭火设施最不利点处的静水压力要求时,需要设置稳压设备。高位水箱平时通过稳压设备对管网进行充水,一旦出现火情,消防主泵启动供水后立即可出水灭火,节省管网充水时间,提高灭火效率。

高位水箱下部静水压力能满足要求的楼层,此时高位水箱的作用等同于不需设置稳压设备的情况,上文中已做说明,不重复论述。

当设置稳压设备时,高位水箱的有效容积还应包括稳压设备运行所需的水量。稳压设备运行水量,可参照“高规”第7.4.8条气压水罐的调节水量取值,不小于450 L。因此高位水箱有效容积不应小于12.45 m3;功能复杂的综合体高层建筑,不应小于24.45 m3

3.1.3高位水箱有效容积小结

水箱容积太大,在建筑设计中有时处理比较困难,但若水箱容积太小,又势必影响初期火灾的扑救,应综合考虑确定。当不考虑消防主泵断电失灵完全不起作用等极端因素时,高位水箱容积按多层、高层建筑可分别设置为:

多层建筑高位水箱的有效容积:①当室内仅设有消火栓水灭火系统时,不应小于6 m3;②当室内设有消火栓和自动喷水灭火系统时,不应小于12 m3

高层建筑高位水箱的有效容积,系统中不设稳压设备和设有稳压设备,其差别仅在是否储存稳压设备运行水量0.45 m3,出于安全考虑,按设有稳压设备考虑:①常规高层建筑,不应小于12.5 m3;②功能复杂的综合体高层建筑,不应小于24.5 m3

“水消规”关于高位水箱的相关规定应是考虑在断电情况下,即所有消防供水设备失灵,由重力流水箱供水,提高系统的可靠度。“水消规”按不同的建筑类别规定高位水箱容积,建筑高度大于21 m的多层住宅6 m3,其他建筑12100 m3不等,其可满足2支水枪和4只喷头(K=80)在最低工作压力下的的供水时间(见表2),可见其安全性更高。

3.2减压水箱

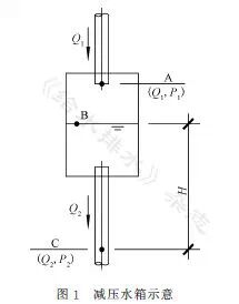
减压水箱用于超高层建筑主灭火系统的供水,其功能是释放高位水池势能,防止系统超压,并保持供水水量的延续性,即要求通过减压水箱前后的流量保持不变,静水压力值降低。图1中,流量Q1=Q2,水流在A点处进行释放为自由水面,B点处静水压力值从P1趋向于0C点处的静水压力值由自由水面与C点的高程差重新获得。

 

通过上述分析,减压水箱的有效容积仅需保证通过流量的延续性即可。实际工程中,水箱平时保持在一定的水位,当水箱下游用水时,水位下降,上游进水管打开水位控制阀对水箱进行补水,考虑到上游进水管阀门由关闭状态到完全打开需要一定的时间,且平时水箱也应具有一定的安全储水量,避免下游用水时出现瞬间断流,一般情况下,减压水箱有效容积不应小于10 min消防系统水量。

3.2.1室内消火栓给水系统的减压水箱

减压水箱一般在建筑高度超过200m的超高层建筑室内消防给水系统中设置,根据“水消规”“表3.5.2建筑物室内消火栓设计流量”可知,住宅建筑高度h54 m时,消火栓设计流量为20 L/s,一类高层公共建筑建筑高度h50 m时,消火栓设计流量为40 L/s,对应10 min消防水量分别是12 m324 m3

3.2.2自动喷水灭火系统的减压水箱

超高层民用建筑自动喷水灭火系统一般为中危险级Ⅰ级和Ⅱ级,设计流量20.827.7 L/s。实际工程中,地下车库喷头受结构梁布置的影响,较地上场所更为密集;一般情况下,室内还常常设置有高大空间的中庭,因此自动喷水灭火系统计算流量通常为3540 L/s,按10 min计算消防水量为2124 m3

3.2.3室内消火栓和自动喷水灭火系统合用的减压水箱

当超高层民用建筑设置有减压水箱时,为简化消防主灭火系统,室内消火栓和自动喷水灭火系统一般合用主消防供水管网,减压水箱的有效容积应根据室内消火栓和自动喷水灭火系统流量之和计算确定。实际工程中,减压水箱有效容积一般按不小于10 min消防系统水量计算。

3.2.4特殊建筑物消防给水系统的减压水箱

工业建筑中的高层试验塔、高层垂直生产线/超高层建筑综合体内包含有非仓库类的高大空间场所和舞台、书库、仓库等一些特殊功能的建筑,当设置有减压水箱时,其有效容积应按建筑内同时作用的消防系统水量计算,并应视建筑功能的复杂性和火灾危险性,适当增大计算时间为20 min

3.2.5减压水箱有效容积小结

减压水箱有效容积应按其供给消防水系统10 min水量计算:

1)室内消火栓给水系统的减压水箱,有效容积不应小于24 m3

2)自动喷水灭火系统的减压水箱,有效容积不应小于24 m3

3)室内消火栓和自动喷水灭火系统合用的减压水箱,有效容积不应小于48 m3

4)建筑功能复杂,火灾危险性较高的建筑,减压水箱有效容积按建筑内同时作用的消防系统计算,不应小于20 min消防水量。

“高规”对减压水箱的有效容积未有明确规定。“水消规”第6.2.5条第3款:减压水箱的有效容积不应小于18 m3,且宜分为2格。综上分析,笔者认为减压水箱有效容积18 m3偏小,对系统的可靠度有一定的影响。

3.3转输水箱

转输水箱一般在建筑高度超过200m的超高层建筑室内消防给水系统中设置,建筑高度不超过200 m时,可能采用一泵到顶的供水方式,可不设转输水箱。

按转输水箱所属的消防水系统,可分主灭火系统和辅助灭火系统2种工况,辅助灭火系统中出现的转输水箱,其作用是作为上一级水泵的吸水池,不主张同时作为高位水箱使用,避免控制元素多,造成系统逻辑出错而失灵。

实际工程中,超高层建筑内的消防主供水系统一般采用消火栓和自动喷水灭火系统合用管网的型式,即转输流量应为室内消火栓和自动喷水灭火系统的设计流量之和,室内消火栓设计流量一般为40 L/s,自动喷水灭火系统设计流量(考虑存在非仓库类高大空间的中庭)一般为3540 L/s,合并流量为7580 L/s。根据前文,从接到火警信号到消防水泵启动,最大允许时间为5 min

3.3.1高压消防给水系统

高压消防给水系统中,高位水池V3平时已储存室内一次火灾的消防水量,发生火灾时,不需启动任何水泵即可直接出水灭火,转输水系统可视为第二水源,是辅助灭火系统。常用的转输水系统见图2。转输水泵控制如下:转输水泵B1根据转输水箱V2的水位控制启、停,低水位启泵、高水位停泵。转输水泵B2根据高位水池V3的水位控制启、停,低水位启泵、高水位停泵。转输水泵B1B2流量均为7580 L/s

3.3.1.1转输水箱V2有效容积的确定

当高位水池V3水位下降时,转输水泵B2自动启动,转输水泵B1因故障延迟启动时,转输水箱V2的有效容积应能满足转输水泵B2不小于5 min的流量,即22.524.0m3

3.3.1.2低位水池V1有效容积的确定

低位水池V1作为水泵接合器补水的接纳水池,按室内消防水量计算的水泵接合器流量为6090 L/s。发生火灾时,转输水泵B1B2依次启动,对高位水池V3进行补水。水泵接合器故障延迟补水时,低位水池V1不应小于5 min水泵接合器的补水量,即1827m3

为提高整个消防灭火系统的可靠度,实际工程中,低位水池V1一般按1 h自动喷水和20 min室内消火栓流量之和计算,有效容积为174192 m3

3.3.2临时高压消防给水系统

临时高压消防给水系统中,因室内一次火灾的消防水量平时储存在低位水池V1中,发生火灾时,需要启动水泵向管网加压供水进行灭火。因临时高压系统可靠度低,超高层建筑中不主张使用。

常用的转输水系统见图3。转输水泵及供水泵控制如下:转输水泵B1根据中间转输水箱V2的水位控制启、停,低水位启泵、高水位停泵。转输水泵B2根据最高转输水箱V3的水位控制启、停,低水位启泵、高水位停泵。供水泵B3B4B5由其供水主管网上的压力开关、高位水箱出水管上的流量开关或报警阀压力开关直接启动,任一条件满足均可启泵。图3中,转输水泵B1B2和供水泵B3B4B5的流量均为7580 L/s


临时高压给水系统,转输水箱位于主灭火系统中,一般情况下,水箱有效容积不应小于10 min消防系统水量。根据转输水箱设置的位置,分最高转输水箱和中间转输水箱2种。

3.3.2.1最高转输水箱V3有效容积的确定

最高转输水箱的功能是作为本区消防主泵的吸水池,当供水泵B5启动,转输水泵B2因故障延迟启动时,最高转输水箱V3的有效容积应能满足供水泵B5不小于10 min流量4548 m3,因最高转输水箱V3同时作为下一区的高位水箱使用,还应储存作为高位水箱功能的消防水量24 m3,合计为6972 m3

3.3.2.2中间转输水箱V2有效容积的确定

中间转输水箱既是上一级水泵的吸水池,同时又是本区消防主泵的吸水池。最不利情况是当供水泵B4B5分区临界处发生火灾,转输水泵B2和供水泵B4B5均需启动,转输水泵B1因故障延迟启动时,中间转输水箱V2的有效容积应能满足转输水泵B2和供水泵B4不小于10 min的流量之和9096 m3。中间转输水箱V2同时作为下一区的高位水箱使用,还应储存作为高位水箱功能的消防水量24 m3,合计为114120 m3

3.3.3改进型临时高压消防给水系统

当最高转输水箱或中间转输水箱有条件增大容积时,平时把一部分消防水量事先放置在较高的位置,可提高系统的可靠性,利于火灾的扑救。一般情况下,转输水箱V2V3按储存1 h自动喷水和20 min室内消火栓流量之和确定,有效容积为174192 m3

3.3.4转输水箱有效容积小结

1)设置在辅助灭火系统中的转输水箱,其有效容积应不小于转输水泵5 min流量22.524 m3。在某种情况下,低位水池的有效容积可仅接纳水泵接合器5 min流量,其余容积的水量可置于转输水箱。

2)设置在主灭火系统中的转输水箱,最高转输水箱有效容积不小于转输水泵10 min流量和作为高位水箱功能的消防水量之和6972 m3。中间转输水箱有效容积不小于转输水泵、供水泵10 min流量和作为高位水箱功能的消防水量之和126144 m3

与减压水箱类似,“高规”对转输水箱的有效容积未做明确的规定。“水消规”第6.2.3条第1款:当采用消防水泵转输水箱串联时,转输水箱的有效储水容积不应小于60 m3,转输水箱可作为高位消防水箱。

转输水箱按其供给消防水系统,在辅助灭火系统和主灭火系统中有所区别。转输水箱有效容积60 m3,在辅助灭火系统中,如仅作为转输功能时,容积偏大;但在土建条件允许的情况下,更倾向于平时把更多的水量置于转输水箱中,以提高系统的可靠度,不主张辅助灭火系统中的转输水箱同时作为高位水箱使用;在主灭火系统中,容积偏小。

4小结

1)高位水箱作为消防水源的冗余,“水消规”考虑断电情况下,所有消防供水设备失灵时,可由重力流水箱供水,提高系统的可靠度,其安全性更高。但水箱容积太大,在建筑设计中有时处理比较困难,若水箱容积太小,又势必影响初期火灾的扑救,应综合考虑确定。

2)“水消规”规定减压水箱有效容积不应小于18 m3,偏小。减压水箱有效容积应按其供给消防水系统10 min水量计算。

3)“水消规”规定转输水箱有效容积不应小于60 m3,且可作为高位水箱使用。在辅助灭火系统中,如仅作为转输功能时,容积偏大;但在土建条件允许的情况下,更倾向于平时把更多的水量置于转输水箱中,以提高系统的可靠度,不主张辅助灭火系统中的转输水箱同时作为高位水箱使用;在主灭火系统中,容积偏小。
    龙康给排水技术转发。